今天是:
设为主页
|
加入收藏
首页
信息公开
统计数据
工作动态
进度信息
统计分析
统计法规
外域传真
互动交流
信息公开指南
|
信息公开目录
|
依申请公开
|
信息公开年报
|
信息公开监督投诉
|
行政权力公开
|
财政信息
信息公开指南
|
信息公开目录
|
依申请公开
|
信息公开年报
|
信息公开监督投诉
|
行政权力公开
|
财政信息
统计法规
行政处罚
调查征集
咨询投诉
您现在的位置:
首页
>
公示公告
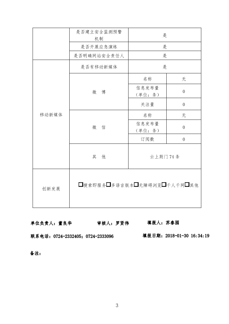
2017年度65备用主页网站工作年度报表
日期:2018-01-31 08:55:32
建议使用IE6.0以上浏览器 1024X768分辨率 Copyright 2012-2018
版权所有:湖北省65备用主页 邮编:448000 电话:0724-2333096
网站地图
备案号:鄂ICP备05016447号-1 鄂公网安备 42080202000103号 网站标识码:4208000014